收藏首页 / 设为首页 / 联系我们
  • 销售经理:罗女士
    销售热线:18808661302
    销售经理:戈先生
    销售热线:15972767978
    在 线 QQ:点击这里给我发送消息
    在 线 QQ:需要咨询请点击这里
    公司地址:湖北省-随州市-市经济开发区-季梁大道9号_(Beplay投注安卓版 )
  • 杭州威龙QZB(F)自吸式洒水车泵_杭州威龙自吸式洒水车泵厂家价格

    作者:杭州威龙自吸式洒水泵 来源:洒水车厂家 日期:2025/9/4 21:39:40 人气: 标签:杭州威龙QZB(F)自吸式洒水车泵 杭州威龙自吸式洒水车泵厂家价格

    杭州威龙QZB(F)自吸式洒水车泵使用维护说明书

    杭州威龙QZB(F)自吸式洒水车泵使用维护说明书

    杭州威龙洒水泵销售电话:159-7276-7978

    此文章来源于网络,如果有错误或者侵权,请联系站长删除!

    一、用途和特点:

    QZB(F) 系列洒水车泵,是在多年研制自吸式离心泵经验的基础上最新研制成功的国家专利产品。并在多年生产80QZ的基础上作了较大的改进,泵的结构更可靠,使用维修更方便,泵性能符合部颁标准《洒水车技术条件》QC/T29114-93中对泵规定的要求。该泵也可用来输送汽油、煤油、柴油等石油产品。当输送石油产品时,订货时必须说明。本产品具有结构简单、运行平稳、效率高、使用可靠等优点。
    泵型号说明:(以80QZB(F)-60/90为例)
    泵型号说明:(以80QZB(F)-60/90为例)
    二、主要技术性能指标:
    1、性能参数(20C常温清水)
    威龙泵主要技术性能指标

    威龙洒水车泵主要有以下几种规格型号:

    65QZB(F) -50 / 110N(S)-FDX、65QZB(F)-40/120N(S)-FDX、65QZB(F) -30 / 130N(S)-FDX、80QZB(F) -40/ 90N(S)-FDX、80QZB(F)-60/ 90N(S)-FDX、65QZB(F) -50/ 110N(S)、65QZB(F)-40/ 120N(S)、65QZB (F) -30 / 130N(S)、80QZB(F) -60/ 62N(S)、80QZB(F)-60/ 80、80QZB(F) -40/ 90N(S)、80QZB(F) -60/ 90N(S)。

    2、性能曲线

    各规格泵的性能曲线见图1、图2。
    威龙泵各规格泵的性能曲线
    图1:80QZB(F)-60/90,80QZB(F)-40/90,80QZB(F)-60/80,80QZB(F)-60/62性能曲线
    图2:65QZB(F)-30/130,65QZB(F)-40/120,65QZB(F)-50/110性能曲线
    三、工作原理及管路安装要求
    该系列泵采用外混式自吸结构,泵内应存有适量的液体。泵启动后,叶轮旋转,叶轮进口处形成负压,吸入管路中的气体与泵内液体混合,通过压出室进入气液分离室。由于气液的比重差,气体从液体中分离出来,从出口管中排出,液体在气液分离室中下沉,经多次循环,直到吸入管内的气体排净而充满液体,完成自吸过程,泵开始正常输液。因此,为保证泵具有良好的自吸性能,必须满足以下条件:
    1、泵工作前,泵内的液体存量必须高于泵轴,因此泵进口处必须接一个向上弯的弯管再接一个水平管和快速接头,快速接头中心线必须高于泵轴中心线300毫米。
    2、进口管路系统必须保证不漏气。
    3、吸水管的吸入头必须浸没于水下,以免空气吸入水管。
    4、出口管道与泵出口连接时必须保证直管长度≥200毫米后再接弯管。
    四、安装及使用:
    (一)安装要求
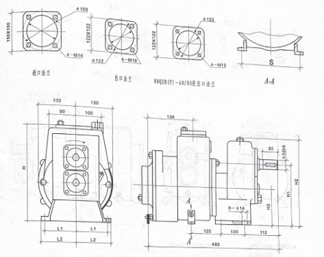
    泵的外形及安装尺寸见图。
    1、泵在汽车上安装时,首先把泵两侧的撑脚卸下,泵轴心线与联轴器对准后,将齿轮箱上的四个底脚螺栓拧紧,然后装上两侧的撑脚并拧紧螺栓。
    2、泵进出、口管路安装时,必须紧固在车身上,泵不能承受进、出口管路的重量和附加力,泵进口管路中应加装过滤网,网孔应小于中6mm,以免较大石块和长纤维吸入。
    3、泵及管路系统安装完毕,应经压力为泵工作压力1.2倍的压力试验,历时3分钟,以证明各处无泄漏(进口有真空表时应关闭该路或卸下真空表)
    4、检查泵的齿轮箱内齿轮油是否至油标尺指示高度范围。
    5、试运转时,泵内应加注满液体,以防止机械密封干摩擦造成损坏。
    6、泵送油料时,必须加接地线,将静电导入地下。
    (二)使用要求
    1、启动前,首先检查齿轮箱内油是否足够。注意:新泵使用一星期后,应放净齿轮油更换新齿轮油,然后每运行750小时更换机油。
    2、检查泵内是否存有足够的液体;检查放水阀门是否已关闭。
    3、打开出口管路阀门少量,全开进口管阀门。
    4、泵的吸入管口应浸在液面30cm以下,以防空气吸入。吸入管口的滤网也不能太密,更不得堵塞。
    5、泵启动后即开始自吸过程,所以必须适当提速使泵达到或略高于额定转速,因为较长时间的低速运行会延长自吸时间,甚至完不成自吸任务。当出口压力表显示压力时,即表明泵已开始正常工作。
    6、在正常自吸高度内,当泵启动后3分钟还未吸上,请即停止运转水泵,如果泵不漏水则是泵进口管路漏气或堵塞,请检查确认,采取相应措施后再运转水泵。
    7、泵结束工作时,先逐渐关闭吐出口管路阀门,再停止原动机。
    五、维护保养:
    1、低温季节,泵不工作时应将泵内储液从进口法兰放水阀门中放出(见结构图),如放水阀门堵塞,必须将放水球阀疏通,或更换放水阀门。
    2、泵如长期停止使用,则应拆开,清洗零件,并在各加工面上涂上一层防锈油后组装,妥善保管。
    3、机械密封在不漏液的情况下,不必拆开检查。拆机械密封应轻拿轻放,注意清洁,保护好动、静环表面,严禁敲击碰撞。机械密封漏液的主要原因多为动、静环表面拉毛所至。修复方法可以对密封端面进行研磨,使镜面恢复。此外,若橡胶密封圈安装不当或老化也将导致漏液。此时则应重新安装、调整,或更换新的机械密封。从机械密封泄漏出来的少量液体,可通过密封排液孔排出。
    4、泵拆装顺序
    (1)旋下放油螺塞,打开放水阀门,放尽泵内剩液和齿轮箱内润滑油。拆除管道和机座螺栓,将泵取下。
    (2)拆去进口法兰。
    (3)拧去叶轮螺母,拆下第一级叶轮(右旋泵,为左螺母)。若难拆下叶轮,则待下一步拆第二级叶轮时一同拆下。
    (4)拆去齿轮箱与泵体的联接螺母。用M12螺栓在顶开螺孔中旋入 M12螺栓,二个螺栓要均匀地慢慢地把泵体和齿轮箱顶开,此时第一级叶轮能自动脱出(注意:第一级叶轮的螺母一定要旋掉,右旋泵为左旋螺母,左旋泵为右旋螺母),然后是第二级叶轮,机械密封随齿轮箱一起与泵体分离。
    (5)拆去中间套管,拉出第二级叶轮,并拆下机械密封和密封座,注意保护好机械密封的动、静环镜面,不得有擦伤。
    (6)拆去齿轮箱盖及输入轴承盖后,从泵体侧将输入轴从箱体中打出,主动齿轮从箱体上方取出。
    装配顺序与以上拆卸顺序相反。
    六、可能的故障及排除方法:
    威龙泵可能的故障及排除方法
    七、易损零件:
    威龙泵易损零件
    八、定货须知:
    1、用户根据使用条件选型,必须注明型号,泵送介质名称、流量、扬程、泵材质,以及泵旋转方向。
    2、对泵有特殊要求的,经供需双方协商确定,并在合同上注明或另订协议。
    3、用户需要提供配件或易损件时,应注明型号、规格、独立计价。
    4、本公司产品实行“三包”,严格履行合同义务,遵守“用户至上,信誉第一”原则。
    在用户选用产品恰当并遵守保管及使用规则的前提下,保质期为一年。在保质期内确因产品制造质量不良而不能正常工作时,负责免费为用户更换或修理。但使用不当造成破损和易损零件的正常磨损不在此限。
    5、用户有不明之处可向本公司提出咨询。
    九、征求用户意见:
    为进一步改进产品质量,满足用户需要,敬请广大用户对在使用中发现的质量问题,函告本公司,同时希望用户对本公司产品的性能、结构外形提出好的建议。
    如本公司已有产品不能满足用户的特殊需要,我们可以根据用户需要,专门为您设计、生产。
    根据市场需求,本公司若适当调整部分参数,恕不另行通知,欢迎垂询。

    QZB(F)洒水车泵结构图

    QZB(F)洒水车泵结构图

    1、进口法兰2、放水阀门3、导叶4、二级叶轮5、撑脚6、泄漏孔7、叶轮螺母 8、泵轴9、小轴套10、一级叶轮11、泵体12、三角密封圈13、密封座14、机械密封15、加油螺塞16、齿轮箱17、主动齿轮18、轴承19、输入轴承盖20、输入轴21、油封22、被动齿轮23、轴套24、箱体25、放油螺丝

    QZB(F)系列洒水车泵外形及安装尺寸

    QZB(F)系列洒水车泵外形及安装尺寸

    QZB(F)系列洒水车泵外形及安装尺寸

    QZB(F)系列洒水车泵带分动箱外形及安装尺寸

    QZB(F)系列洒水车泵带分动箱外形及安装尺寸


    说明:
    QZB(F)系列水泵的分动箱.当接气口1冲气时,水泵运转皮带轮不运转。当接气口2冲气时,皮带轮运转水泵不运转。当两个接气口都不冲气时,水泵和皮带轮都不运转。

    分动箱技术参数:

    1、分动箱速比为:0.88。

    2、皮带轮槽B型、基准直径123mm、三槽。

    如客户不用皮带轮,而用油泵,客户应提供油泵接口有关尺寸参数。

    杭州威龙洒水泵销售电话:159-7276-7978

  • 上一篇:电三轮垃圾转运车_新能源全封闭挂桶车_纯电动侧挂桶垃圾运输车_电动三轮翻桶车 下一篇:没有资料
  • 网站首页 | 关于我们 | 产品中心 | 新闻中心 | 售后服务 | 用户留言 | 联系我们 | 网站地图
  • Beplay投注安卓版  公司地址:湖北省-随州市-市经济开发区-季梁大道9号_(Beplay投注安卓版 )
    销售经理:罗女士  销售热线:18808661302  销售经理:戈先生  销售热线:15972767978
    Copright © 2012 All Rights Reserved.鄂ICP备2021015577号-152Beplay投注安卓版

    鄂公网安备 42130202000627号

  • 需要咨询请点击这里
    Baidu
    map